
RUNVA 4X4 PREMIUM WINCH INSTALLATION GUIDE
Please read before installing your Runva winch
This winch installation guide has been provided by Runva and is designed as a general guide for the installation of a Runva 4x4 winch within a winch compatible bull bar. Depending on your vehicle there may be different variables that impact on how your winch is setup. As such this is a basic guide and may not cover your particular situation. If you are not confident to perform the below installation we recommend utilising the services of an experienced auto electrician or 4WD service agent to install your winch.
1. Please make sure your battery is in good condition and no smaller than 650CCA. Using a battery smaller than this could cause damage to your winch and void your warranty.
2. Please make sure you connect the earth cable from the winch motor directly to the negative terminal on the battery. Connecting it to the chassis instead of the battery could cause damage to your winch and void your warranty.
3. If you need to rotate your gearbox in order to complete the installation of your winch it will NOT void your warranty. Please follow the instructions available here.
4. The winch you purchased is supplied with a power isolating switch. This must be installed with the winch. You will also find an easy to fit bracket inside the box. The switch should remain in the off position until you need to use your winch.
5. Your winch is supplied with an easy to use control box mounting bracket for convenient installation. Simply bolt the bracket onto the base of the control box with the supplied mounting hardware. If you do not wish to mount the control box on top of the bar you can remote mount is as desired.
Please note, the solenoid is waterproof however the wireless receiver which is located underneath the control box cover is only water resistant. If it's likely to get submerged in water or mud please remote mount the receiver or simply disconnect it if you are not going to be using the wireless remote. A faulty receiver can cause your winch to activate by itself which can cause damage to your winch and also your vehicle. Simply disconnect the power cable to the remote receiver if you don't want to use the wireless option. Simply turning your remote off will not help.
6. Your winch cable is secured into the drum with an aluminium crimp at the end of the rope. This crimp is held in place with a grub screw. If you are walking the rope to separate from the crimp. (They are well secured but with enough force it will come out). If you are taking the rope off for any reason, don't forget to undo the grub screw first before pulling it out of the drum.
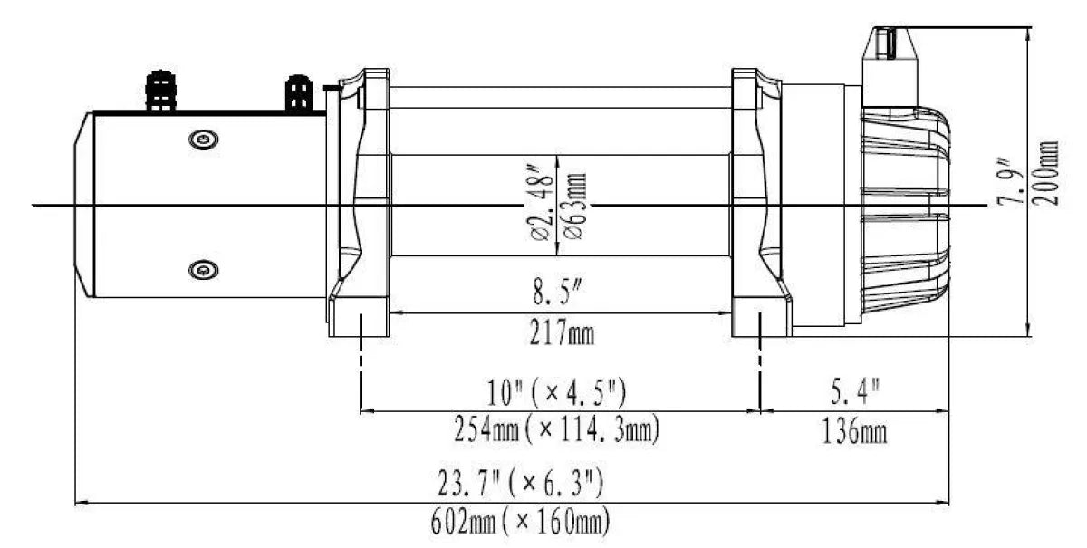
7. The standard mounting position for your winch is to have the gearbox on the right hand side when looking at the product front-on. If you need to mount your winch in the opposite position simply unspool all the rope from the winch and feed it in with the rope now spooling over the top of the drum rather than from the bottom.
Basic Winch Maintenance
Your electric winch is well sealed for recreational use however it is still possible for water to get in the seals wear out during the life of the winch. The problem is that when water gets in and the winch is not used for long periods of time it can cause corrosion inside the motor which could lead to winch failure when you need it most.
If water got inside the motor but the winch was used all the time, it will most likely never cause any kind of failure and will keep operating like normal. It is a good idea to power the winch up every 4-6 weeks. Simply pull about 5 or so meters of cable out and winch it back in.
Runva also recommend that you service your winch at least once a year if you are submerging it in water or mud during use. Servicing your winch will help make it last for many years of trouble free use. If you are not able to service it yourself, any auto electrician or 4WD service agent will be able to do this. Please note that Runva does not cover the service fee.